Rev Counter Conversion for TR7 V8 Conversions

The following was first published by previous TR8 Registrar, Paul Towle - I have amended and updated a few details. My thanks to Paul for a very comprehensive and well thought out article.

There are two reasons to change the rev counter (tacho). Firstly the new tachometer has to take account of the extra four cylinders that are being installed under the bonnet and secondly the red line occurs from 5500 to 7000 rpm on the TR8 version whereas the TR7 red line from 6500 to 7000 rpm.

The original TR8 tacho (BL Part No. TKC 2587) is no longer available. However, it is possible to convert the standard TR7 tacho for use in the TR8, the cost of the conversion being less than £5 in parts. This conversion should be well within the scope of most people, provided that it is done with care and in a good working environment.

The following items will be required for the conversion:-
1. A small tin of 'HUMBROL ENAMEL SATIN RED' paint No. 132 (This is available from most modelling shops).
2. 'HUMBROL' paint thinners.
3. A roll of 1" wide sellotape.
4. A small modeller's paint brush.
5. A scalpel or razor blade.
6. Tweezers.
7. A 15 - 25 Watt soldering iron with a 2mm bit (approx).
8. A small length of 'MULTICORE' solder, (suitable for electrical/electronic work).
9. A 47k (47 kilo ohm), 0.6 watt, 1% tolerance, metal film resistor. This can be bought from RS Components Part No.148-893.
10. A pair of fine wire cutters.
11. A jam jar lid (or similar) with a diameter of approx. 63 mm.

I must emphasize that it is essential to use a soldering iron with a fine bit as suggested above.
If you do not have one, try to borrow one. This job can not be done with a blowlamp!!

PROCEDURE

1. Assuming that you have already removed the tacho from the instrument pod.
a) Examine the rear of the tacho. It should be possible to see four components which look like 'liquorice all sorts' standing on legs!!!. (See Photo). These components are 'capacitors'. The capacitor on the right should have five coloured bands, brown, black, yellow, black and red, reading them from top to bottom. Locate the 'leg' of this capacitor which is closest to you when viewed as shown.
b) To the right of the capacitor located in a), there is a red wire which is soldered to the thick film substrate, (i.e. the ceramic base to which the components are soldered). Locate this connection.
Note that the 'substrate' or ceramic base is very brittle and can be damaged very easily if handled without care. c) Using the tweezers, cut and bend the leads of the 47 kilo ohm resistor as shown in left hand diagram
d) Very carefully solder either lead of the 47 kilo ohm resistor to the leg of the capacitor located in a), and solder the other lead of this resistor to the connection located in b), as shown in right picture.


That completes this section. All that remains is to mask off the red line area of the scale and paint it.

2. Stick several short strips of sellotape approximately 2 inches long onto a piece of clean flat glass.
a) Using the scalpel or razor blade, cut out a segment of sellotape using a 10 pence piece as a template. Stick this segment to the face of the tacho ensuring that the curvature of the sellotape segment continues the 'inner' curvature of the existing red line.See section A.
b) Using the 63 mm dia jam jar lid, cut out an arch of sellotape and stick it to the face of the tacho such that the curvature of the arch continues the 'outer' curvature of the red line area. See section B.
c) Cut two strips of sellotape approximately 30 mm long and 10 mm wide. Stick one of these strips with its longest edge below the existing red line area, adjoining with the pieces stuck down in section A and B. See section C.
d) Stick the remaining piece to the tachometer face such that its longest edge continues a straight line from the centre of the face to the upper edge of the 5500 rpm marker. It is helpful to rotate the tachometer pointer around so that it can be used to help align this last piece of sellotape. See section D.

This completes the masking off of the new red line area.

3a) Mix a 50/50 quantity of Humbrol paint and thinners.
b) Ensure that the tacho face is clean and free from dust.
c) Very carefully paint the masked off area.
    Leave this to dry for at least six hours before re-coating, several thin coats should ensure adequate coverage.
d) When dry, carefully remove the sellotape.

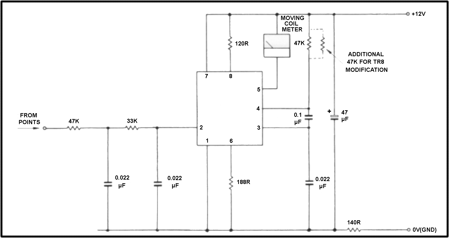
Circuit Diagram for the TR7/8 Rev Counter


The tachometer can then be refitted into the car and should not require calibration.
The complete circuit diagram for the tachometer is shown, together with the 47k modification resistor.